Вентиляторы осевые с защитной решеткой и настенной панелью
Наличие и цену уточняйте у наших менеджеров.
Вентиляторы осевые с защитной решеткой и настенной панелью
Общие сведения
• ТУ 28.25.20-043-54365100-2018
• низкого давления
• внешнероторный электродвигатель со встроенной термозащитой
• лопатки приварены к ротору
• количество лопаток – 5
• крепление статора к защитной решётке
• направление потока от решётки на рабочее колесо
• класс защиты – IP44
• ротор имеет отверстие для отвода конденсата
• ротор установлен на шарикоподшипниках, не требующих обслуживания
• лопатки, решётка и ротор защищены чёрным лаковым покрытием
Назначение
• системы вентиляции производственных, общественных и жилых зданий
• холодильная техника
• другие технологические установки: перемещение воздуха не содержащего липких веществ и волокнистых материалов, с концентрацией пыли и других твёрдых примесей не более 10 мг/м3 .
Условия эксплуатации Климатическое исполнение вентиляторов У2 (температура перемещаемой среды от -30 °С до +60 °С).
• ТУ 28.25.20-043-54365100-2018
• низкого давления
• внешнероторный электродвигатель со встроенной термозащитой
• лопатки приварены к ротору
• количество лопаток – 5
• крепление статора к защитной решётке
• направление потока от решётки на рабочее колесо
• класс защиты – IP44
• ротор имеет отверстие для отвода конденсата
• ротор установлен на шарикоподшипниках, не требующих обслуживания
• лопатки, решётка и ротор защищены чёрным лаковым покрытием
Назначение
• системы вентиляции производственных, общественных и жилых зданий
• холодильная техника
• другие технологические установки: перемещение воздуха не содержащего липких веществ и волокнистых материалов, с концентрацией пыли и других твёрдых примесей не более 10 мг/м3 .
Условия эксплуатации Климатическое исполнение вентиляторов У2 (температура перемещаемой среды от -30 °С до +60 °С).
| Модель вентилятора | Параметры питающей сети, В/Гц | Производительность, М3/час | Полное давление, Па | Частота вращения, об/мин | Потребляемая мощность двигателя, Вт | Ток, А | Габаритные размеры,мм | Масса, кг | Звуковое давление на расстоянии 1м, дБ(А) |
|---|---|---|---|---|---|---|---|---|---|
| ВО-4М250В | 220/50 | 100-825 | 100-13 | 1380 | 50 | 0,23 | 370х370х138 | 2,5 | 55 |
| ВО-4М300В | 220/50 | 430-1845 | 122-32 | 1380 | 85 | 0,42 | 430х430х146 | 3,0 | 60 |
| ВО-4М350В | 220/50 | 750-2450 | 143-30 | 1400 | 129 | 0,65 | 485-485х163 | 5,0 | 64 |
| ВО-4М400В | 220/50 | 1350-3955 | 125-46 | 1380 | 180 | 0,82 | 540х540х176 | 6,0 | 67 |
| ВО-4М450В | 220/50 | 1250-5365 | 143-53 | 1350 | 250 | 1,15 | 575х575х190 | 8,0 | 69 |
| ВО-4М500В | 220/50 | 1200-7155 | 142-62 | 1320 | 380 | 1,85 | 655х655х183 | 9,0 | 71 |
| ВО-4М550В | 220/50 | 4650-8510 | 138-60 | 1300 | 550 | 2,55 | 725х725х198 | 11,0 | 72 |
| ВО-4М630В | 220/50 | 6400-11435 | 200-62 | 1360 | 750 | 3,5 | 805х805х218 | 14,0 | 78 |
| ВО-6Т710В | Δ380/50 | 2200-15120 | 222-68 | 900 | 900 | 1,9 | 840х840х246 | 30 | 73 |
| ВО-6Т710В | Y380/50 | 1400-13005 | 121-50 | 730 | 650 | 1,15 | 840х840х246 | 30 | 72 |
| ВО-6Т800В | Δ380/50 | 1000-20695 | 325-79 | 920 | 1200 | 2,85 | 920х920х246 | 35 | 75 |
| ВО-6Т800В | Y380/50 | 1000-17635 | 160-57 | 770 | 930 | 1,65 | 920х920х246 | 35 | 74 |









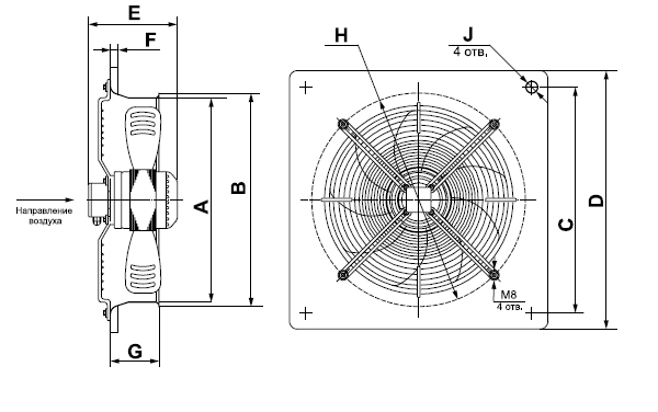
| Модель вентилятора | Размеры, мм | ||||||||
| А | B | C | D | Е | F | G | H | J | |
| BO-4M250B | Ø260 | Ø280 | 320 | 370 | 138 | 15 | 90 | Ø320 | Ø7 |
| BO-4M300B | Ø315 | Ø335 | 380 | 430 | 146 | 15 | 90 | Ø380 | Ø7 |
| BO-4M350B | Ø360 | Ø380 | 435 | 485 | 163 | 15 | 90 | Ø415 | Ø10 |
| BO-4M400B | Ø410 | Ø430 | 490 | 540 | 176 | 15 | 110 | Ø470 | Ø10 |
| BO-4M450B | Ø460 | Ø480 | 535 | 575 | 190 | 15 | 110 | Ø520 | Ø10 |
| BO-4M500B | Ø510 | Ø530 | 615 | 655 | 183 | 15 | 115 | Ø580 | Ø10 |
| BO-4M550B | Ø565 | Ø585 | 670 | 725 | 198 | 15 | 115 | Ø650 | Ø10 |
| BO-4M630B | Ø640 | Ø660 | 750 | 805 | 218 | 15 | 125 | Ø730 | Ø10 |

| Модель вентилятора |
Размеры, мм |
|||||||||
| А | B | C | D | Е | F | G | H | J | I | |
| BO-6T710B | Ø703 | Ø710 | Ø722 | 810 | 850 | 120 | 27 | 130 | Ø795 | Ø11 |
| BO-6T800B | Ø784 | Ø795 | Ø830 | 910 | 970 | 65 | 16 | 200 | Ø950 | Ø14,5 |
Для покупки выбранного товара в Ростове-на-Дону достаточно оформить заказ одним из предложенных способов:
- Выбрать понравившийся товар и нажать кнопку «Заказать». При оформлении заказа заполнить форму. Вписать информацию в поля: ФИО, телефон и e-mail. Затем вам перезвонит менеджер, чтобы подтвердить ваше согласие на совершение покупки.
- Выбрать понравившийся товар и нажать кнопку «В корзину». Затем перейти в корзину и нажать «Оформить заказ». Далее заполнить форму с контактными данными и отправить заявку. С вами свяжется менеджер для дальнейшего обсуждения.
Оплата
Мы работаем с физическими и юридическими лицами. И предоставляем сразу два варианта оплаты.
- Наличные. Вы подписываете товаросопроводительные документы, расплачиваетесь денежными средствами, получаете товар и чек.
- Безналичный расчет. Принимаем карты Visa и MasterCard. Доступен при курьерской доставке.
Доставка в Пятигорске
Можем доставить ваш заказ собственными ресурсами. Либо через варианты доставки:
- Доставка транспортной компанией. Специалист предложит выбрать удобное время доставки и уточнит адрес.
- Самовывоз со склада. Для получения заказа обратитесь к сотруднику в зоне выдачи и назовите номер.
